基于健康度和重要度的电力设备风险评估
马青山, 孙玉玮, 邓伟超, 俞鑫春, 朱建宝, 王中一

Power Equipment Risk Assessment Based on Health and Importance
MA Qingshan, SUN Yuwei, DENG Weichao, YU Xinchun, ZHU Jianbao, WANG Zhongyi
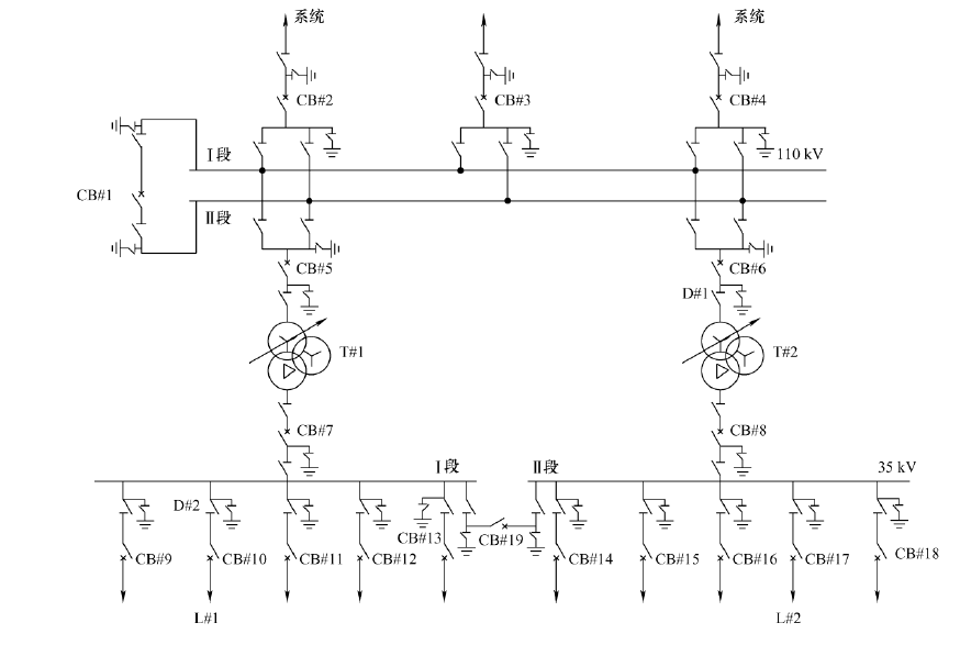
图6 110 kV变电站主接线图