柔性直流系统的交流侧故障穿越优化控制策略
*
夏天, 夏向阳, 刘代飞, 刘远, 易海淦
AC-side Fault Crossing Optimization Control Strategy for VSC-HVDC
XIA Tian, XIA Xiangyang, LIU Daifei, LIU Yuan, YI Haigan
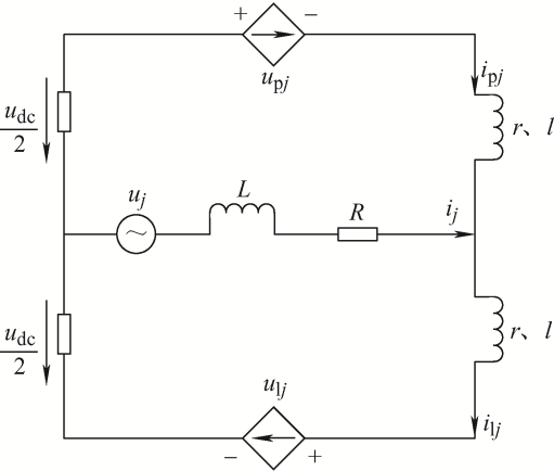
图3
j
相简化电路