基于非注入法PMSM低速域无位置传感器控制*
谢曼莎, 李萍, 赵峰, 肖惠文, 连广坤

Sensorless Control of PMSM Based on Non-injection Method in Low Speed Domain
XIE Mansha, LI Ping, ZHAO Feng, XIAO Huiwen, LIAN Guangkun
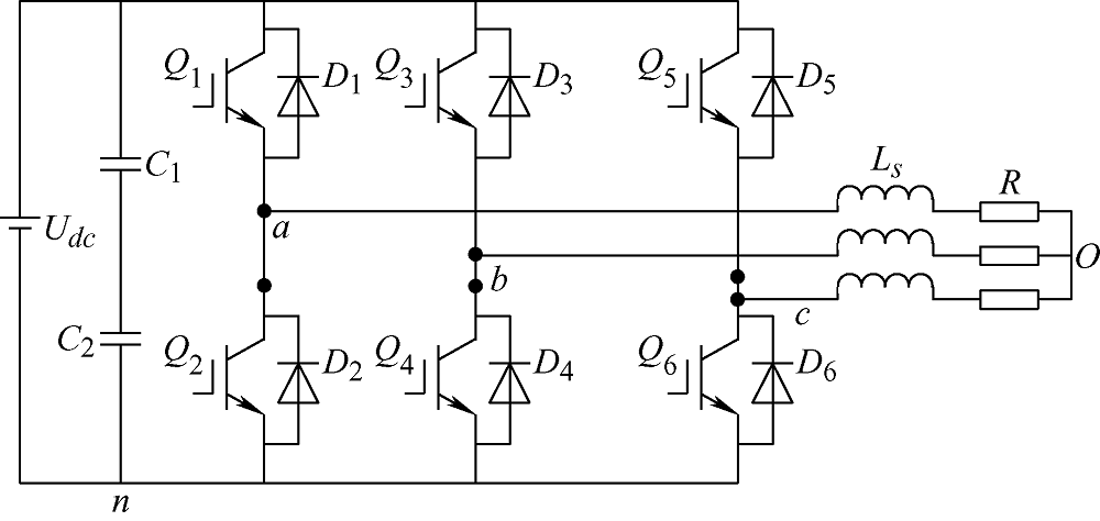
图5 电机逆变器的拓扑结构