1 引言
电力设备的运行状况与电力系统的安全性、可靠性息息相关。电力设备的故障会造成局部或大面积的停电,从而导致整个电力系统处于不安全的运行状态。在过去的几十年中,电力系统的风险评估和管理在几乎各级电力系统,即发电、输电和配电系统中得到了广泛的应用[1 ] 。文献[2 ]分析了传统的电力系统电压崩溃评估方法存在的缺陷,提出了一种进行电力系统电压崩溃风险评估的方法。文献[3 ]模拟连锁故障的一般发展过程,将事故发生概率及后果联系起来,提出了量化的风险指标。文献[4 ]介绍了基于风险的安全性评估方法故障导致暂态失稳的概率和暂态失稳的后果模型。文献[5 ,6 ]提出了一种考虑新能源与负荷发电相关性的系统电力过载风险评估方法,充分考虑了不确定性和线路流量波动的可能性和后果。
随着状态监测技术的不断进步,运行人员需要连续或者定期地获取单个设备的状态信息,这与设备当前的运行状态密不可分。文献[7 ]建立了一个新的基于状态检修的变压器风险评估模式,但无法反映所分析电力设备的实时健康状况及同类设备的差异化。文献[8 ]提出了一种基于设备实时健康指数的配电网风险量化评估方法,建立了电力设备的健康指数的配电网风险量化评估方法,但仅研究了设备的健康状况。文献[9 ]综合考虑了系统中元件的结构属性、状态属性及社会属性,提出了一种考虑元件综合重要度的电网安全性风险评估方法,但未综合考虑负荷的差异性。文献[10 ]研究了系统风险灵敏度指标和元件停运前后系统风险差值指标在状态检修体制下的适用性,提出了反映设备当前状态引起系统风险增量的输电设备重要度评估模型。然而,由于没有正确反映设备当前状态对系统风险的影响,因此不能应用于输电设备状态检修的决策制定中。
本文提出一种适用于电力设备的在线风险评估方法,首先研究了电力设备监测参数的运行状态,建立了电力设备健康度指标,同时考虑设备本身的性质和负荷的差异,构建了电力设备重要度模型,并在此基础上建立了同时考虑设备状态和系统风险的电力设备风险评估方法。最后以某变电站为例进行算例分析,验证了该方法的有效性和正确性。
2 电力设备的风险评估方法
风险是指系统中事故造成的潜在危害,电网运行情况存在复杂性及不确定性。电力设备运行的风险评估目的在于针对电力设备中潜在的不确定性因素,全面反映事故对电力设备的影响。风险指标常采用事故发生概率与后果严重程度的乘积,即综合电力设备的不确定性事故的可能性与严重性,其表达式为
(1) $R\left(E_{i}\right)=P(E) \cdot C(E)$
式中,Ei 表示故障事件;P (Ei )表示故障事件的概率;C (Ei )表示故障事件的后果;R (Ei )表示故障事件风险指标。
针对电力设备安全风险管控的需求,本文提出了一种基于健康度和重要度指标的在线风险评估,将电力设备运行风险定义为
(2) $R\left(E_{i}\right)=H(E) \cdot I(E)$
式中,H (Ei )、I (Ei )分别为故障事件发生时设备的健康度和重要度指标。考虑了设备运行所涉及的多个参数与影响因素,对设备风险进行量化。
电力设备风险评估包含以下步骤,评估流程如图1 所示。
图1
(1) 设备健康度评估。① 针对电力设备重要部件进行状态监测并采集监测数据,进行设备故障分析以及状态数据信号处理;② 使用阈值法,将处理后的监测参数与参数的允许值作对比,进行电力设备的风险识别;③ 计算设备参数的健康指数Hn 以及设备综合健康指数H 。
(2) 设备重要度评估。① 将电力设备的影响定义为负荷数量因子,负荷等级因子、社会影响因子和设备因子;② 综合设备影响因子的权重计算设备重要度指数I ;③ 根据设备的重要度指数分为一般设备、关注设备、重要设备和关键设备四类。
(3) 设备风险评估。① 综合设备健康度指数和设备重要度指数,计算设备的风险;② 在风险矩阵图中标出设备的位置,判断设备的风险等级;③ 根据设备的风险等级,判断设备的管控顺序和风险管控措施。
3 电力设备健康度指标
电力设备在运行过程中必然会产生温度、压力、电流、电压、振动及能量等变化信号,根据不同的状态监测需求,可以选择能表示设备状态的不同信号。根据监测设备运行的几个比较关键参数,发现潜在的故障,判断设备的运行状态。这些参数可能与设备所处的环境、机械磨损、气体密度、运行时的电气量有关。在设备监控技术中使用如电流传感器、压力传感器、光纤传感器等,并将其安装在必要的位置,与微处理器结合使用执行监控任务[11 ,12 ] 。一旦设备偏离正常运行状态,需要进一步分析故障产生的原因。表1 [13 ] 中列出几种设备以及其需要监测的信号。
假设Xn (n =1,2,…)为被监测参数,其值在最大值Xn max 和最小值Xn min 之间。设置监测参数的故障限值Fn 和警报限值An 。
在电力设备的运行过程中涉及到多个运行参数,这些参数之间并不完全是相互独立的,各个参数之间存在较强的相关性[14 ,15 ] 。一般的参数相关性模型如下
(3) $\left\{ \begin{align} & \underset{X}{\mathop{\max }}\,/\underset{X}{\mathop{\min }}\,f(X) \\ & {{Y}_{i}}(X)\le (=,\ge ){{S}_{i}}=[S_{i}^{\min },S_{i}^{\max }]\ \ \ \ i=1,2,\cdots ,k \\ & X\in {{\Omega }^{n}} \\ \end{align} \right.$
式中,f 为目标函数;Y 为约束函数;X 为监测参数;Ω 为监测参数集,且多个参数之间相互独立;Si 为参数约束的允许区间,Si min 和Si max 分别表示允许区间的上下界。
当有多个监测参数时,将问题扩展为多参数问题,可以建立多参数相关性模型
(4) $\left\{ \begin{align} & {{X}_{1}}={{f}_{1}}({{X}_{2}},{{X}_{3}},\cdots ,{{X}_{n}}) \\ & {{X}_{2}}={{f}_{2}}({{X}_{1}},{{X}_{3}},\cdots ,{{X}_{n}}) \\ & \ \vdots \\ & {{X}_{n}}={{f}_{n}}({{X}_{1}},{{X}_{2}},\cdots ,{{X}_{n-1}}) \\ & {{Y}_{i}}(X)\le (=,\ge ){{S}_{i}}=[S_{i}^{\min },S_{i}^{\max }]\ \ \ \ i=1,2,\cdots ,k\ \ \ \ X\in {{\Omega }^{n}} \\ \end{align} \right.$
式中,f 为监测参数之间的相关性函数;S 为约束函数;X 为监测参数,Xn min 与Xn min 分别表示监测参数的上下限。
通常情况下为了兼顾参数间的独立性与相关性,多采用多维平行六面体模型, 既能表述参数之间的独立性,又能描述参数之间的相关性。通过参数之间的相关程度构建多维平行六面体模型,使所有变量整合在一个模型之中。只需要知道每个参数的变化区间以及任何两个参数之间的依赖关系即可构造一个多维平行六面体的几何不确定域。将问题扩展为三维或者更高维时,整个不确定域可以用一个多维平行六面体来表示[16 ] 。三维平行六面体模型如图2 所示。
图2
θ 12 、θ 13 、θ 23 的大小分别描述了两两参数之间的相关性程度,可以描述任意两个参数之间的相关性,当三个参数之间相互独立时,整个区域将退化成一个长方体。二维平面六面体模型如图3 所示。
图3
图3 模型可以描述任意两个参数之间的关系,为了叙述清晰方便,本文使用描述两个参数之间 关系的二维椭圆模型表明监测参数值区间,如图 4 所示。
图4
${{D}_{{{X}_{n}}}}$是故障限值和警报限值之间的差值,并对上、下限值提出如下关系
(5) ${{D}_{{{X}_{n}}}}=\left\{ \begin{matrix} F_{n}^{\max }-A_{n}^{\max } & {{X}_{n}}>A_{n}^{\max }\ \ \ n=1,2,\cdots ,k \\ {} & {} \\ A_{n}^{\min }-F_{n}^{\min } & {{X}_{n}}<A_{n}^{\min }\ \ \ n=1,2,\cdots ,k \\\end{matrix} \right.$
式中,An max 、An min 、Fn max 、Fn min 分别为设备的上、下警报限值和故障限值。
(6) ${{B}_{{{X}_{n}}}}=\left\{ \begin{matrix} {{X}_{n}}-A_{n}^{\max } & {{X}_{n}}>A_{n}^{\max } \\ 0\ \ \ \ \ \ \ \ \ \ & A_{n}^{\min }<{{X}_{n}}<A_{n}^{\max } \\ A_{n}^{\min }-{{X}_{n}} & {{X}_{n}}<A_{n}^{\min } \\\end{matrix} \right.$
式中,${{B}_{{{X}_{n}}}}$为Xn 超出上、下两级的警报限值的值。当Xn 超过警报限值但不超过故障限值时,变量${{B}_{{{X}_{n}}}}$位于阈值范围内,当Xn 在其所需的警报限值内时,${{B}_{{{X}_{n}}}}$的值为零。超过警报限值的归一化上限和下限定义[17 ] 如下
(7) ${{B}_{{{X}_{n}}}}=\left\{ \begin{matrix} [{{X}_{n}}-A_{n}^{\max }]/V_{n}^{d} & {{X}_{n}}>A_{n}^{\max } \\ 0\ \ \ \ \ \ \ \ \ \ \ \ \ \ \ \ \ \ \ & A_{n}^{\min }<{{X}_{n}}<A_{n}^{\max } \\ [A_{n}^{\min }-{{X}_{n}}]/V_{n}^{d} & {{X}_{n}}<A_{n}^{\min } \\\end{matrix} \right.$
为了确定设备的健康指数,将矢量转化为标量值,从监测的角度设备可以形成一个标量值的健康指数。对于每一个上限和下限,归一化因子${{D}_{{{X}_{n}}}}$,作为故障限值与警报限值之间的差值,定义为
(8) ${{D}_{{{X}_{n}}}}=\left\{ \begin{matrix} [F_{n}^{\max }-A_{n}^{\max }]/V_{n}^{d} & {{X}_{n}}>A_{n}^{\max } \\ {} & {} \\ [A_{n}^{\min }-F_{n}^{\min }]/V_{n}^{d} & {{X}_{n}}<A_{n}^{\min } \\\end{matrix} \right.$
式中,Vn d 为设备所需的监测参数期望值。k 维限值的影响可以通过内嵌的超椭圆近似成标量值。超椭圆表示为
(9) $\sum\limits_{n}{{{(B_{{{X}_{n}}}^{\max }/D_{{{X}_{n}}}^{\max })}^{2m}}={{O}^{2m}}}$
用${{B}_{{{X}_{n}}}}$表示故障条件位于超椭圆外,公式如下
(10) $\sum\limits_{n}{(B_{{{X}_{n}}}^{\max }/}D_{{{X}_{n}}}^{\max }{{)}^{m}}\ge {{O}^{2m}}$
(11) ${{H}_{n}}=1+{{[{{(B_{{{X}_{n}}}^{\max }/D_{{{X}_{n}}}^{\max })}^{2m}}+{{(B_{{{X}_{n}}}^{\min }/D_{{{X}_{n}}}^{\min })}^{2m}}]}^{1/2m}}$
式(11)表示,Hn =1时设备是健康的,Hn >2时设备出现故障。对于1和2极限值之间的值,参数被认为处于警报状态。每个参数的监测方法是相同的,唯一的区别是对于不同的参数使用不同的阈值级别。
Hn 值越大,表示设备的运行状态越差,Hn 值越小,表示设备运行状态越好。运行状态最差的参数代表了设备的综合运行状态,所以可以用数值最大的参数健康指标代表设备的综合健康指标,即
(12) $H\text{=}\max \text{(}{{H}_{1}},{{H}_{2}},\cdots ,{{H}_{n}}\text{)}$
式中,H 1 ,H 2 ,…,Hn 表示不同运行参数的健康指标。
4 电力设备重要度指标
设备重要度越高,即使发生较小的故障,设备也可能处于不安全的运行状态,设备重要度较低,设备则处于更安全的状态。根据设备重要程度的不同制定不同标准的风险管控措施,对系统中重要程度高的输电设备制定高的风险控制标准,对系统中重要程度较低的设备制定适当的风险控制标准。重要度的定义为[18 ]
(13) $I({{E}_{i}})=\frac{\sqrt{\sum\limits_{k=1}^{N}{{{({{\omega }_{k}}({{E}_{i}})\cdot {{Y}_{k}}({{E}_{i}}))}^{2}}}}}{\sqrt{\sum\limits_{k=1}^{N}{\omega _{k}^{2}({{E}_{i}})}}}$
式中,Yk (Ei )为第 k 个影响因子等级;ωk (Ei )为第 k 个影响因子所对应的权重;N 为重要度影响因素的总个数。
将配电网的负荷划分为4个等级:特级负荷、一级负荷、二级负荷和一般负荷。特级负荷指国家级场合;一级负荷指若发生停电会带来重大影响、经济损失及人员伤亡的负荷;二级负荷指中断供电会造成较大影响及经济损失的用电负荷;一般负荷指中断供电不会造成较大、影响及经济损失的用电负荷。系统所带重要负荷的等级越高、数目越多,表示系统故障可能造成的损失越大,即系统的风险越大。设备的重要度与设备本身的价值有关,若设备价值越高,发生设备故障时就会造成越大的经济损失。考虑到设备故障所引起的社会影响,将设备供电分为特级保障供电、一级保障供电、二级保障供电和一般保障供电[19 ,20 ] 。
综上所述,风险评估影响由负荷数量因子、负荷等级因子、社会影响因子和设备因子四部分组成[21 ]
(14) $Y({{E}_{i}})={{Y}_{LN}}\bigcap {{Y}_{LL}}\bigcap {{Y}_{S}}\bigcap {{Y}_{E}}$
式中,YLN 为负荷数量因子;YLL 为负荷等级因子;YS 为社会影响因子;YE 为设备因子。
5 电力设备风险等级
为了确定设备是否足以进行切换操作以进行重新配置,为整个系统设计了一个基于设备运行健康度和重要度的系统实时风险矩阵图[22 ,23 ] ,如图5 所示。
图5
纵轴数值从1~∞,H =1时表示设备处于正常运行状态;H =1~2时表示设备处于警报运行状态;H =2~∞时表示设备处于故障运行状态。横轴数值I =0~1时表示设备为一般设备;I =1~2时表示设备为关注设备;I =2~3时表示设备为重要设备;I =3~4时表示设备为关键设备。基于当前的风险评估结果,可判别系统的实时风险并实施措施。
D区域表示设备状态较好并且对系统影响的重要程度也不高,则对设备进行优化控制减小网络损耗; C区域表示设备状态较好,但是其重要度较高,应采取安全风险控制适当加强关注; B区域表明设备自身状况和对系统的重要度综合情况较差,此时需要采取切负荷等措施进行安全风险转移; A区域则表明设备非常重要并且状态较差,则需要采取安全风险规避,快速完成故障定位与隔离,减小故障损失。
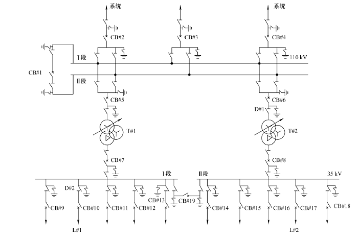
6 案例分析
图6
6.1 设备健康度评估
以四台SF6 断路器CB#3、CB#7、CB#15、CB#19为例。把选取的断路器按照安装位置和功能分为电源断路器、母线断路器、变压器断路器和线路断路器,并分析这些断路器主要的故障部件以及需要重点监测的参数。所选取断路器的特性如表6 所示。表7 给出了断路器闭合操作中主要的监测参数以及故障限值和警报限值的上下限。
使用表6 、7中的信息,随着时间推移和新的监测参数的输入,计算断路器的健康指数,图7 是20次闭合操作中的四台断路器监测参数健康指数的变化趋势。
图7
由图7 可见,CB#3处于故障状态,CB#7是安全可靠运行的, CB#15、CB#19处于警报运行状态。根据式(12),提取第20次操作的数据,四台断路器的健康指数分别是H (CB#3)=2.5, H (CB#7)=1.0, H (CB#15)=1.6, H (CB#19)=1.6。
6.2 设备重要度评估
6.3 设备风险等级
四台断路器评估结果如图8 所示。CB#3和CB#19重要度非常高且运行状态很差,处于不安全不可靠的运行状态,需要进行安全风险规避。CB#15处于异常运行状态且重要度较高,应该采取安全风险转移。CB#7处于安全的运行状态,但其重要度很高,要加强注意。根据管控措施指标按照CB#3,CB#19,CB#15,CB#7的先后顺序进行管控。
图8
若要检测一台断路器CB#15在检修周期内风险等级的变化情况,根据图7 c及表8 中的数据,可以得出CB#15风险等级的变化。选取第1、5、10、15、20次操作数据,表10 和图9 中的数据表明断路器CB#15健康指标和风险指标的变化,CB#15位于区域B中,健康度从1开始逐渐增加,从正常运行状态进入到警报运行状态,且CB#15的重要度为2,需要对其采取一定的安全风险转移措施。
图9
7 结论
本文针对电力设备运行维护的发展现状提出了基于健康度和重要度的电力设备运行风险评估新方法,将电力设备风险看成是健康度与重要度的乘积,综合考虑了设备的运行状态和负荷及设备本身性质差异性。基于电力设备电气、非电气量监测数据,充分利用智能传感器和监测设备,提出设备健康度评估的定量方法,可实时评估电网设备的健康状况及其关键操作参数。将影响设备重要度的负荷因子、设备因子及社会影响因子等确立为设备重要度的影响因子,得出设备重要度的评估方法,实现对电力设备运行风险评估。并以某变电站为例,对系统设备的运行风险进行实时评估,证明该方法的准确性和有效性,为电力设备预警及制定风险管控措施提供参考。
参考文献
View Option
[1]
LI Wenyuan . Risk assessment of power systems:Models, methods,and applications
[M]. United States:Wiley-IEEE Press , 2005 .
[本文引用: 1]
[2]
陈为化 , 江全元 , 曹一家 . 电力系统电压崩溃的风险评估
[J]. 电网技术 , 2005 (19 ):6 -11 .
URL
[本文引用: 1]
CHEN Weihua , JIANG Quanyuan , CAO Yijia . Risk assessment of power system voltage collapse
[J]. Power System Technology , 2005 (19 ):6 -11 .
[本文引用: 1]
[3]
李蓉蓉 , 张晔 , 江全元 . 复杂电力系统连锁故障的风险评估
[J]. 电网技术 , 2006 (10 ):18 -23 .
URL
[本文引用: 1]
电力系统中的连锁故障是一种发生概率低但后果严重的事故,严重的连锁故障可能导致大面积停电甚至整个系统崩溃。文章提出了一种复杂电力系统连锁故障的风险评估方法,模拟连锁故障的一般发展过程,将事故发生概率及后果联系起来,提出了量化的风险指标,能发现系统运行中更深层次的问题,暴露安全隐患。以此为基础开发了基于风险理论的电力系统连锁故障风险评估软件,并以美国东北部NPCC 48机测试系统为例验证了该方法的先进性和有效性。
LI Rongrong , ZHANG Ye , JIANG Quanyuan . Risk assessment of cascading failures in complex power systems
[J]. Power System Technology , 2006 (10 ):18 -23 .
[本文引用: 1]
[4]
王英 , 谈定中 , 王小英 , 等 . 基于风险的暂态稳定性安全评估方法在电力系统中的应用
[J]. 电网技术 , 2003 (12 ):37 -41 .
URL
[本文引用: 1]
介绍了基于风险的安全性评估方法的基本原理以及如何获取线路发生故障的概率和故障导致暂态失稳的概率,还介绍了暂态失稳的后果模型,并在此基础上建立一完整的风险指标.暂态稳定性风险评估能够为安全性和经济性之间提供联系,为更准确地分析电力系统提供了方便.最后结合阳城电厂向江苏电网送电的实例,说明了该方法在江苏电网中的应用.
WANG Ying , TAN Dingzhong , WANG Xiaoying , et al . Application of based transient stability and security assessment in power system
[J]. Power System Technology , 2003 (12 ):37 -41 .
[本文引用: 1]
[5]
LI X , ZHANG X , WU L , et al . Transmission line overload risk assessment for power systems with wind and load-power generation correlation
[J]. IEEE Transactions on Smart Grid , 2015 ,6 (3 ):1233 -1242 .
[本文引用: 1]
[6]
JIA Y W , XU Z . Risk assessment based on information entropy of cascading failure in power systems
[C]// 2012 IEEE Power and Energy Society General Meeting. San Diego,CA , 2012 : 1 -5 .
[本文引用: 1]
[7]
LIU H , WANG Z L , WANG X W . Transformer risk assessment model under condition based maintenance
[C]// 2017 IEEE 2nd Information Technology,Networking,Electronic and Automation Control Conference(ITNEC). Chengdu , 2017 : 1 -5 .
[本文引用: 1]
[8]
史常凯 , 宁昕 , 孙智涛 , 等 . 基于设备实时健康指数的配电网风险量化评估
[J]. 高电压技术 , 2018 ,44 (2 ):534 -540 .
[本文引用: 1]
SHI Changkai , NING Xin , SUN Zhitao , et al . Quantitative assessment of distribution network risk based on real-time health index of equipment
[J]. High Voltage Engineering , 2018 ,44 (2 ):534 -540 .
[本文引用: 1]
[9]
刘沛清 , 李华强 , 赵阳 , 等 . 考虑元件综合重要度的电网安全性风险评估方法
[J]. 电力自动化设备 , 2015 ,35 (4 ):132 -138,144 .
[本文引用: 1]
LIU Peiqing , LI Huaqiang , ZHAO Yang , et al . Grid safety risk assessment method considering the comprehensive importance of components
[J]. Electric Power Automation Equipment , 2015 ,35 (4 ):132 -138,144 .
[本文引用: 1]
[10]
赵登福 , 段小峰 , 张磊 . 考虑设备状态和系统风险的设备重要度评估模型
[J]. 西安交通大学学报 , 2012 ,46 (2 ):83 -87 .
[本文引用: 1]
ZHAO Dengfu , DUAN Xiaofeng , ZHANG Lei . Evaluation model of equipment importance considering equipment status and system risk
[J]. Journal of Xi’an Jiaotong University , 2012 ,46 (2 ):83 -87 .
[本文引用: 1]
[11]
王致杰 , 徐余法 , 刘三明 . 电力设备状态监测与故障诊断
[M]. 上海:上海交通大学出版社 , 2012 .
[本文引用: 1]
WANG Zhijie , XU Yufa , LIU Sanming . Power equipment condition monitoring and fault diagnosis
[M]. Shanghai:Shanghai Jiao Tong University Press , 2012 .
[本文引用: 1]
[12]
黄新波 . 变电设备在线监测与故障诊断
[M]. 北京:中国电力出版社 , 2010 .
[本文引用: 1]
HUANG Xinbo . Online monitoring and fault diagnosis of substation equipment
[M]. Beijing:China Electric Power Press , 2010 .
[本文引用: 1]
[13]
胡秋生 , 贺家敏 , 张鑫 , 等 . 真空断路器触头电磨损在线检测系统研究
[J]. 电气工程学报 , 2018 ,13 (1 ):43 -48 .
[本文引用: 1]
HU Qiusheng , HE Jiamin , ZHANG Xin , et al . The on-line monitoring application study of vacuum circuit breakers contact system
[J]. Journal of Electrical Engineering , 2018 ,13 (1 ):43 -48 .
[本文引用: 1]
[14]
罗瑞 . 考虑参数相关性的区间多目标优化方法及其应用
[D]. 长沙:湖南大学 , 2018 .
[本文引用: 1]
LUO Rui . Interval multi-objective optimization method considering parameter correlation and its application
[D]. Changsha:Hunan University , 2018 .
[本文引用: 1]
[15]
张智罡 . 考虑不确定参数相关性及公差的区间优化算法
[D]. 长沙:湖南大学 , 2014 .
[本文引用: 1]
ZHANG Zhigang . Interval optimization algorithm considering the correlation and tolerance of uncertain parameters
[D]. Changsha:Hunan University , 2014 .
[本文引用: 1]
[16]
JIANG C , ZHANG Q F . Multidimensional-parallelepiped model:A new type of non-probabilistic convex model for uncertainty quantification of structures
[C]// Department of Engineering Mechanics,Dalian University of Technology,China,School of Engineering Science,University of Science and Technology of China. Proceedings of the Seventh China-Japan-Korea Joint Symposium on Optimization of Structural and Mechanical Systems. Dalian:State Key Laboratory of Structural Analysis of Industrial Equipment,Dalian University of Technology , 2012 : 131 .
[本文引用: 1]
[17]
PAYMAN D , TOMO P , MLADEN K . Circuit breaker operational health assessment via condition monitoring data
[C]// 2014 North American Power Symposium (NAPS). Pullman,WA , 2014 : 1 -6 . DOI: 10.1109/NAPS.2014.6965427 .
[本文引用: 1]
[18]
黄曌 , 汪沨 , 谭阳红 , 等 . 基于健康度和重要度的配电网运行风险评估方法
[J]. 电力自动化设备 , 2016 ,36 (6 ):136 -141 .
[本文引用: 1]
HUANG Zhao , WANG Feng , TAN Yanghong , et al . Distribution network operation risk assessment method based on health degree and importance
[J]. Electric Power Automation Equipment , 2016 ,36 (6 ):136 -141 .
[本文引用: 1]
[19]
LEI J Z , SUN L , ZHU Q S , et al . Research on evaluation system of operation risk assessment and application in Henan power gird
[C]// 2014 IEEE PES Asia-Pacific Power and Energy Engineering Conference(APPEEC). Hong Kong,China , 2014 : 1 -5 . DOI: 10.1109/APPEEC.2014.7066144 .
[本文引用: 1]
[20]
LIU S , SHI X Q , WANG T H , et al . Power grid risk assessment method based on risk probability engineering and its application
[C]// 2016 IEEE International Conference on Power System Technology(POWERCON). Wollongong,NSW , 2016 : 1 -5 . DOI: 10.1109/POWERCON.2016.7753980 .
[本文引用: 1]
[21]
余绍峰 , 沈佩琦 , 王文 , 等 . 《输变电设备风险评估导则》新旧版本的差异比较
[J]. 智能电网 , 2015 ,3 (2 ):182 -185 .
[本文引用: 1]
YU Shaofeng , SHEN Peiqi , WANG Wen , et al . Comparison of two versions of transmission and transformation equipments risk assessment guide rule
[J]. Smart Grid , 2015 ,3 (2 ):182 -185 .
[本文引用: 1]
[22]
阮欣 , 尹志逸 , 陈艾荣 . 风险矩阵评估方法研究与工程应用综述
[J]. 同济大学学报 , 2013 ,41 (3 ):381 -385 .
[本文引用: 1]
RUAN Xin , YIN Zhiyi , CHEN Airong . A review of research and application of risk matrix evaluation methods
[J]. Journal of Tongji University , 2013 ,41 (3 ):381 -385 .
[本文引用: 1]
[23]
张文斌 . 电力设备风险评价方法综述
[C]// 2010年云南电力技术论坛论文集. 云南昆明:云南省电机工程学会 , 2010 : 1588 -1595 .
[本文引用: 1]
ZHANG Wenbin . Overview of power equipment risk assessment methods
[C]// Proceedings of Yunnan Electric Power Technology Forum 2010. Kunming,Yunnan:Yunnan Electrical Engineering Society , 2010 : 1588 -1595 .
[本文引用: 1]
Risk assessment of power systems:Models, methods,and applications
1
2005
... 电力设备的运行状况与电力系统的安全性、可靠性息息相关.电力设备的故障会造成局部或大面积的停电,从而导致整个电力系统处于不安全的运行状态.在过去的几十年中,电力系统的风险评估和管理在几乎各级电力系统,即发电、输电和配电系统中得到了广泛的应用[1 ] .文献[2 ]分析了传统的电力系统电压崩溃评估方法存在的缺陷,提出了一种进行电力系统电压崩溃风险评估的方法.文献[3 ]模拟连锁故障的一般发展过程,将事故发生概率及后果联系起来,提出了量化的风险指标.文献[4 ]介绍了基于风险的安全性评估方法故障导致暂态失稳的概率和暂态失稳的后果模型.文献[5 ,6 ]提出了一种考虑新能源与负荷发电相关性的系统电力过载风险评估方法,充分考虑了不确定性和线路流量波动的可能性和后果. ...
电力系统电压崩溃的风险评估
1
2005
... 电力设备的运行状况与电力系统的安全性、可靠性息息相关.电力设备的故障会造成局部或大面积的停电,从而导致整个电力系统处于不安全的运行状态.在过去的几十年中,电力系统的风险评估和管理在几乎各级电力系统,即发电、输电和配电系统中得到了广泛的应用[1 ] .文献[2 ]分析了传统的电力系统电压崩溃评估方法存在的缺陷,提出了一种进行电力系统电压崩溃风险评估的方法.文献[3 ]模拟连锁故障的一般发展过程,将事故发生概率及后果联系起来,提出了量化的风险指标.文献[4 ]介绍了基于风险的安全性评估方法故障导致暂态失稳的概率和暂态失稳的后果模型.文献[5 ,6 ]提出了一种考虑新能源与负荷发电相关性的系统电力过载风险评估方法,充分考虑了不确定性和线路流量波动的可能性和后果. ...
电力系统电压崩溃的风险评估
1
2005
... 电力设备的运行状况与电力系统的安全性、可靠性息息相关.电力设备的故障会造成局部或大面积的停电,从而导致整个电力系统处于不安全的运行状态.在过去的几十年中,电力系统的风险评估和管理在几乎各级电力系统,即发电、输电和配电系统中得到了广泛的应用[1 ] .文献[2 ]分析了传统的电力系统电压崩溃评估方法存在的缺陷,提出了一种进行电力系统电压崩溃风险评估的方法.文献[3 ]模拟连锁故障的一般发展过程,将事故发生概率及后果联系起来,提出了量化的风险指标.文献[4 ]介绍了基于风险的安全性评估方法故障导致暂态失稳的概率和暂态失稳的后果模型.文献[5 ,6 ]提出了一种考虑新能源与负荷发电相关性的系统电力过载风险评估方法,充分考虑了不确定性和线路流量波动的可能性和后果. ...
复杂电力系统连锁故障的风险评估
1
2006
... 电力设备的运行状况与电力系统的安全性、可靠性息息相关.电力设备的故障会造成局部或大面积的停电,从而导致整个电力系统处于不安全的运行状态.在过去的几十年中,电力系统的风险评估和管理在几乎各级电力系统,即发电、输电和配电系统中得到了广泛的应用[1 ] .文献[2 ]分析了传统的电力系统电压崩溃评估方法存在的缺陷,提出了一种进行电力系统电压崩溃风险评估的方法.文献[3 ]模拟连锁故障的一般发展过程,将事故发生概率及后果联系起来,提出了量化的风险指标.文献[4 ]介绍了基于风险的安全性评估方法故障导致暂态失稳的概率和暂态失稳的后果模型.文献[5 ,6 ]提出了一种考虑新能源与负荷发电相关性的系统电力过载风险评估方法,充分考虑了不确定性和线路流量波动的可能性和后果. ...
复杂电力系统连锁故障的风险评估
1
2006
... 电力设备的运行状况与电力系统的安全性、可靠性息息相关.电力设备的故障会造成局部或大面积的停电,从而导致整个电力系统处于不安全的运行状态.在过去的几十年中,电力系统的风险评估和管理在几乎各级电力系统,即发电、输电和配电系统中得到了广泛的应用[1 ] .文献[2 ]分析了传统的电力系统电压崩溃评估方法存在的缺陷,提出了一种进行电力系统电压崩溃风险评估的方法.文献[3 ]模拟连锁故障的一般发展过程,将事故发生概率及后果联系起来,提出了量化的风险指标.文献[4 ]介绍了基于风险的安全性评估方法故障导致暂态失稳的概率和暂态失稳的后果模型.文献[5 ,6 ]提出了一种考虑新能源与负荷发电相关性的系统电力过载风险评估方法,充分考虑了不确定性和线路流量波动的可能性和后果. ...
基于风险的暂态稳定性安全评估方法在电力系统中的应用
1
2003
... 电力设备的运行状况与电力系统的安全性、可靠性息息相关.电力设备的故障会造成局部或大面积的停电,从而导致整个电力系统处于不安全的运行状态.在过去的几十年中,电力系统的风险评估和管理在几乎各级电力系统,即发电、输电和配电系统中得到了广泛的应用[1 ] .文献[2 ]分析了传统的电力系统电压崩溃评估方法存在的缺陷,提出了一种进行电力系统电压崩溃风险评估的方法.文献[3 ]模拟连锁故障的一般发展过程,将事故发生概率及后果联系起来,提出了量化的风险指标.文献[4 ]介绍了基于风险的安全性评估方法故障导致暂态失稳的概率和暂态失稳的后果模型.文献[5 ,6 ]提出了一种考虑新能源与负荷发电相关性的系统电力过载风险评估方法,充分考虑了不确定性和线路流量波动的可能性和后果. ...
基于风险的暂态稳定性安全评估方法在电力系统中的应用
1
2003
... 电力设备的运行状况与电力系统的安全性、可靠性息息相关.电力设备的故障会造成局部或大面积的停电,从而导致整个电力系统处于不安全的运行状态.在过去的几十年中,电力系统的风险评估和管理在几乎各级电力系统,即发电、输电和配电系统中得到了广泛的应用[1 ] .文献[2 ]分析了传统的电力系统电压崩溃评估方法存在的缺陷,提出了一种进行电力系统电压崩溃风险评估的方法.文献[3 ]模拟连锁故障的一般发展过程,将事故发生概率及后果联系起来,提出了量化的风险指标.文献[4 ]介绍了基于风险的安全性评估方法故障导致暂态失稳的概率和暂态失稳的后果模型.文献[5 ,6 ]提出了一种考虑新能源与负荷发电相关性的系统电力过载风险评估方法,充分考虑了不确定性和线路流量波动的可能性和后果. ...
Transmission line overload risk assessment for power systems with wind and load-power generation correlation
1
2015
... 电力设备的运行状况与电力系统的安全性、可靠性息息相关.电力设备的故障会造成局部或大面积的停电,从而导致整个电力系统处于不安全的运行状态.在过去的几十年中,电力系统的风险评估和管理在几乎各级电力系统,即发电、输电和配电系统中得到了广泛的应用[1 ] .文献[2 ]分析了传统的电力系统电压崩溃评估方法存在的缺陷,提出了一种进行电力系统电压崩溃风险评估的方法.文献[3 ]模拟连锁故障的一般发展过程,将事故发生概率及后果联系起来,提出了量化的风险指标.文献[4 ]介绍了基于风险的安全性评估方法故障导致暂态失稳的概率和暂态失稳的后果模型.文献[5 ,6 ]提出了一种考虑新能源与负荷发电相关性的系统电力过载风险评估方法,充分考虑了不确定性和线路流量波动的可能性和后果. ...
Risk assessment based on information entropy of cascading failure in power systems
1
2012
... 电力设备的运行状况与电力系统的安全性、可靠性息息相关.电力设备的故障会造成局部或大面积的停电,从而导致整个电力系统处于不安全的运行状态.在过去的几十年中,电力系统的风险评估和管理在几乎各级电力系统,即发电、输电和配电系统中得到了广泛的应用[1 ] .文献[2 ]分析了传统的电力系统电压崩溃评估方法存在的缺陷,提出了一种进行电力系统电压崩溃风险评估的方法.文献[3 ]模拟连锁故障的一般发展过程,将事故发生概率及后果联系起来,提出了量化的风险指标.文献[4 ]介绍了基于风险的安全性评估方法故障导致暂态失稳的概率和暂态失稳的后果模型.文献[5 ,6 ]提出了一种考虑新能源与负荷发电相关性的系统电力过载风险评估方法,充分考虑了不确定性和线路流量波动的可能性和后果. ...
Transformer risk assessment model under condition based maintenance
1
2017
... 随着状态监测技术的不断进步,运行人员需要连续或者定期地获取单个设备的状态信息,这与设备当前的运行状态密不可分.文献[7 ]建立了一个新的基于状态检修的变压器风险评估模式,但无法反映所分析电力设备的实时健康状况及同类设备的差异化.文献[8 ]提出了一种基于设备实时健康指数的配电网风险量化评估方法,建立了电力设备的健康指数的配电网风险量化评估方法,但仅研究了设备的健康状况.文献[9 ]综合考虑了系统中元件的结构属性、状态属性及社会属性,提出了一种考虑元件综合重要度的电网安全性风险评估方法,但未综合考虑负荷的差异性.文献[10 ]研究了系统风险灵敏度指标和元件停运前后系统风险差值指标在状态检修体制下的适用性,提出了反映设备当前状态引起系统风险增量的输电设备重要度评估模型.然而,由于没有正确反映设备当前状态对系统风险的影响,因此不能应用于输电设备状态检修的决策制定中. ...
基于设备实时健康指数的配电网风险量化评估
1
2018
... 随着状态监测技术的不断进步,运行人员需要连续或者定期地获取单个设备的状态信息,这与设备当前的运行状态密不可分.文献[7 ]建立了一个新的基于状态检修的变压器风险评估模式,但无法反映所分析电力设备的实时健康状况及同类设备的差异化.文献[8 ]提出了一种基于设备实时健康指数的配电网风险量化评估方法,建立了电力设备的健康指数的配电网风险量化评估方法,但仅研究了设备的健康状况.文献[9 ]综合考虑了系统中元件的结构属性、状态属性及社会属性,提出了一种考虑元件综合重要度的电网安全性风险评估方法,但未综合考虑负荷的差异性.文献[10 ]研究了系统风险灵敏度指标和元件停运前后系统风险差值指标在状态检修体制下的适用性,提出了反映设备当前状态引起系统风险增量的输电设备重要度评估模型.然而,由于没有正确反映设备当前状态对系统风险的影响,因此不能应用于输电设备状态检修的决策制定中. ...
基于设备实时健康指数的配电网风险量化评估
1
2018
... 随着状态监测技术的不断进步,运行人员需要连续或者定期地获取单个设备的状态信息,这与设备当前的运行状态密不可分.文献[7 ]建立了一个新的基于状态检修的变压器风险评估模式,但无法反映所分析电力设备的实时健康状况及同类设备的差异化.文献[8 ]提出了一种基于设备实时健康指数的配电网风险量化评估方法,建立了电力设备的健康指数的配电网风险量化评估方法,但仅研究了设备的健康状况.文献[9 ]综合考虑了系统中元件的结构属性、状态属性及社会属性,提出了一种考虑元件综合重要度的电网安全性风险评估方法,但未综合考虑负荷的差异性.文献[10 ]研究了系统风险灵敏度指标和元件停运前后系统风险差值指标在状态检修体制下的适用性,提出了反映设备当前状态引起系统风险增量的输电设备重要度评估模型.然而,由于没有正确反映设备当前状态对系统风险的影响,因此不能应用于输电设备状态检修的决策制定中. ...
考虑元件综合重要度的电网安全性风险评估方法
1
2015
... 随着状态监测技术的不断进步,运行人员需要连续或者定期地获取单个设备的状态信息,这与设备当前的运行状态密不可分.文献[7 ]建立了一个新的基于状态检修的变压器风险评估模式,但无法反映所分析电力设备的实时健康状况及同类设备的差异化.文献[8 ]提出了一种基于设备实时健康指数的配电网风险量化评估方法,建立了电力设备的健康指数的配电网风险量化评估方法,但仅研究了设备的健康状况.文献[9 ]综合考虑了系统中元件的结构属性、状态属性及社会属性,提出了一种考虑元件综合重要度的电网安全性风险评估方法,但未综合考虑负荷的差异性.文献[10 ]研究了系统风险灵敏度指标和元件停运前后系统风险差值指标在状态检修体制下的适用性,提出了反映设备当前状态引起系统风险增量的输电设备重要度评估模型.然而,由于没有正确反映设备当前状态对系统风险的影响,因此不能应用于输电设备状态检修的决策制定中. ...
考虑元件综合重要度的电网安全性风险评估方法
1
2015
... 随着状态监测技术的不断进步,运行人员需要连续或者定期地获取单个设备的状态信息,这与设备当前的运行状态密不可分.文献[7 ]建立了一个新的基于状态检修的变压器风险评估模式,但无法反映所分析电力设备的实时健康状况及同类设备的差异化.文献[8 ]提出了一种基于设备实时健康指数的配电网风险量化评估方法,建立了电力设备的健康指数的配电网风险量化评估方法,但仅研究了设备的健康状况.文献[9 ]综合考虑了系统中元件的结构属性、状态属性及社会属性,提出了一种考虑元件综合重要度的电网安全性风险评估方法,但未综合考虑负荷的差异性.文献[10 ]研究了系统风险灵敏度指标和元件停运前后系统风险差值指标在状态检修体制下的适用性,提出了反映设备当前状态引起系统风险增量的输电设备重要度评估模型.然而,由于没有正确反映设备当前状态对系统风险的影响,因此不能应用于输电设备状态检修的决策制定中. ...
考虑设备状态和系统风险的设备重要度评估模型
1
2012
... 随着状态监测技术的不断进步,运行人员需要连续或者定期地获取单个设备的状态信息,这与设备当前的运行状态密不可分.文献[7 ]建立了一个新的基于状态检修的变压器风险评估模式,但无法反映所分析电力设备的实时健康状况及同类设备的差异化.文献[8 ]提出了一种基于设备实时健康指数的配电网风险量化评估方法,建立了电力设备的健康指数的配电网风险量化评估方法,但仅研究了设备的健康状况.文献[9 ]综合考虑了系统中元件的结构属性、状态属性及社会属性,提出了一种考虑元件综合重要度的电网安全性风险评估方法,但未综合考虑负荷的差异性.文献[10 ]研究了系统风险灵敏度指标和元件停运前后系统风险差值指标在状态检修体制下的适用性,提出了反映设备当前状态引起系统风险增量的输电设备重要度评估模型.然而,由于没有正确反映设备当前状态对系统风险的影响,因此不能应用于输电设备状态检修的决策制定中. ...
考虑设备状态和系统风险的设备重要度评估模型
1
2012
... 随着状态监测技术的不断进步,运行人员需要连续或者定期地获取单个设备的状态信息,这与设备当前的运行状态密不可分.文献[7 ]建立了一个新的基于状态检修的变压器风险评估模式,但无法反映所分析电力设备的实时健康状况及同类设备的差异化.文献[8 ]提出了一种基于设备实时健康指数的配电网风险量化评估方法,建立了电力设备的健康指数的配电网风险量化评估方法,但仅研究了设备的健康状况.文献[9 ]综合考虑了系统中元件的结构属性、状态属性及社会属性,提出了一种考虑元件综合重要度的电网安全性风险评估方法,但未综合考虑负荷的差异性.文献[10 ]研究了系统风险灵敏度指标和元件停运前后系统风险差值指标在状态检修体制下的适用性,提出了反映设备当前状态引起系统风险增量的输电设备重要度评估模型.然而,由于没有正确反映设备当前状态对系统风险的影响,因此不能应用于输电设备状态检修的决策制定中. ...
电力设备状态监测与故障诊断
1
2012
... 电力设备在运行过程中必然会产生温度、压力、电流、电压、振动及能量等变化信号,根据不同的状态监测需求,可以选择能表示设备状态的不同信号.根据监测设备运行的几个比较关键参数,发现潜在的故障,判断设备的运行状态.这些参数可能与设备所处的环境、机械磨损、气体密度、运行时的电气量有关.在设备监控技术中使用如电流传感器、压力传感器、光纤传感器等,并将其安装在必要的位置,与微处理器结合使用执行监控任务[11 ,12 ] .一旦设备偏离正常运行状态,需要进一步分析故障产生的原因.表1 [13 ] 中列出几种设备以及其需要监测的信号. ...
电力设备状态监测与故障诊断
1
2012
... 电力设备在运行过程中必然会产生温度、压力、电流、电压、振动及能量等变化信号,根据不同的状态监测需求,可以选择能表示设备状态的不同信号.根据监测设备运行的几个比较关键参数,发现潜在的故障,判断设备的运行状态.这些参数可能与设备所处的环境、机械磨损、气体密度、运行时的电气量有关.在设备监控技术中使用如电流传感器、压力传感器、光纤传感器等,并将其安装在必要的位置,与微处理器结合使用执行监控任务[11 ,12 ] .一旦设备偏离正常运行状态,需要进一步分析故障产生的原因.表1 [13 ] 中列出几种设备以及其需要监测的信号. ...
变电设备在线监测与故障诊断
1
2010
... 电力设备在运行过程中必然会产生温度、压力、电流、电压、振动及能量等变化信号,根据不同的状态监测需求,可以选择能表示设备状态的不同信号.根据监测设备运行的几个比较关键参数,发现潜在的故障,判断设备的运行状态.这些参数可能与设备所处的环境、机械磨损、气体密度、运行时的电气量有关.在设备监控技术中使用如电流传感器、压力传感器、光纤传感器等,并将其安装在必要的位置,与微处理器结合使用执行监控任务[11 ,12 ] .一旦设备偏离正常运行状态,需要进一步分析故障产生的原因.表1 [13 ] 中列出几种设备以及其需要监测的信号. ...
变电设备在线监测与故障诊断
1
2010
... 电力设备在运行过程中必然会产生温度、压力、电流、电压、振动及能量等变化信号,根据不同的状态监测需求,可以选择能表示设备状态的不同信号.根据监测设备运行的几个比较关键参数,发现潜在的故障,判断设备的运行状态.这些参数可能与设备所处的环境、机械磨损、气体密度、运行时的电气量有关.在设备监控技术中使用如电流传感器、压力传感器、光纤传感器等,并将其安装在必要的位置,与微处理器结合使用执行监控任务[11 ,12 ] .一旦设备偏离正常运行状态,需要进一步分析故障产生的原因.表1 [13 ] 中列出几种设备以及其需要监测的信号. ...
真空断路器触头电磨损在线检测系统研究
1
2018
... 电力设备在运行过程中必然会产生温度、压力、电流、电压、振动及能量等变化信号,根据不同的状态监测需求,可以选择能表示设备状态的不同信号.根据监测设备运行的几个比较关键参数,发现潜在的故障,判断设备的运行状态.这些参数可能与设备所处的环境、机械磨损、气体密度、运行时的电气量有关.在设备监控技术中使用如电流传感器、压力传感器、光纤传感器等,并将其安装在必要的位置,与微处理器结合使用执行监控任务[11 ,12 ] .一旦设备偏离正常运行状态,需要进一步分析故障产生的原因.表1 [13 ] 中列出几种设备以及其需要监测的信号. ...
真空断路器触头电磨损在线检测系统研究
1
2018
... 电力设备在运行过程中必然会产生温度、压力、电流、电压、振动及能量等变化信号,根据不同的状态监测需求,可以选择能表示设备状态的不同信号.根据监测设备运行的几个比较关键参数,发现潜在的故障,判断设备的运行状态.这些参数可能与设备所处的环境、机械磨损、气体密度、运行时的电气量有关.在设备监控技术中使用如电流传感器、压力传感器、光纤传感器等,并将其安装在必要的位置,与微处理器结合使用执行监控任务[11 ,12 ] .一旦设备偏离正常运行状态,需要进一步分析故障产生的原因.表1 [13 ] 中列出几种设备以及其需要监测的信号. ...
考虑参数相关性的区间多目标优化方法及其应用
1
2018
... 在电力设备的运行过程中涉及到多个运行参数,这些参数之间并不完全是相互独立的,各个参数之间存在较强的相关性[14 ,15 ] .一般的参数相关性模型如下 ...
考虑参数相关性的区间多目标优化方法及其应用
1
2018
... 在电力设备的运行过程中涉及到多个运行参数,这些参数之间并不完全是相互独立的,各个参数之间存在较强的相关性[14 ,15 ] .一般的参数相关性模型如下 ...
考虑不确定参数相关性及公差的区间优化算法
1
2014
... 在电力设备的运行过程中涉及到多个运行参数,这些参数之间并不完全是相互独立的,各个参数之间存在较强的相关性[14 ,15 ] .一般的参数相关性模型如下 ...
考虑不确定参数相关性及公差的区间优化算法
1
2014
... 在电力设备的运行过程中涉及到多个运行参数,这些参数之间并不完全是相互独立的,各个参数之间存在较强的相关性[14 ,15 ] .一般的参数相关性模型如下 ...
Multidimensional-parallelepiped model:A new type of non-probabilistic convex model for uncertainty quantification of structures
1
2012
... 通常情况下为了兼顾参数间的独立性与相关性,多采用多维平行六面体模型, 既能表述参数之间的独立性,又能描述参数之间的相关性.通过参数之间的相关程度构建多维平行六面体模型,使所有变量整合在一个模型之中.只需要知道每个参数的变化区间以及任何两个参数之间的依赖关系即可构造一个多维平行六面体的几何不确定域.将问题扩展为三维或者更高维时,整个不确定域可以用一个多维平行六面体来表示[16 ] .三维平行六面体模型如图2 所示. ...
Circuit breaker operational health assessment via condition monitoring data
1
2014
... 式中,${{B}_{{{X}_{n}}}}$为Xn 超出上、下两级的警报限值的值.当Xn 超过警报限值但不超过故障限值时,变量${{B}_{{{X}_{n}}}}$位于阈值范围内,当Xn 在其所需的警报限值内时,${{B}_{{{X}_{n}}}}$的值为零.超过警报限值的归一化上限和下限定义[17 ] 如下 ...
基于健康度和重要度的配电网运行风险评估方法
1
2016
... 设备重要度越高,即使发生较小的故障,设备也可能处于不安全的运行状态,设备重要度较低,设备则处于更安全的状态.根据设备重要程度的不同制定不同标准的风险管控措施,对系统中重要程度高的输电设备制定高的风险控制标准,对系统中重要程度较低的设备制定适当的风险控制标准.重要度的定义为[18 ] ...
基于健康度和重要度的配电网运行风险评估方法
1
2016
... 设备重要度越高,即使发生较小的故障,设备也可能处于不安全的运行状态,设备重要度较低,设备则处于更安全的状态.根据设备重要程度的不同制定不同标准的风险管控措施,对系统中重要程度高的输电设备制定高的风险控制标准,对系统中重要程度较低的设备制定适当的风险控制标准.重要度的定义为[18 ] ...
Research on evaluation system of operation risk assessment and application in Henan power gird
1
2014
... 将配电网的负荷划分为4个等级:特级负荷、一级负荷、二级负荷和一般负荷.特级负荷指国家级场合;一级负荷指若发生停电会带来重大影响、经济损失及人员伤亡的负荷;二级负荷指中断供电会造成较大影响及经济损失的用电负荷;一般负荷指中断供电不会造成较大、影响及经济损失的用电负荷.系统所带重要负荷的等级越高、数目越多,表示系统故障可能造成的损失越大,即系统的风险越大.设备的重要度与设备本身的价值有关,若设备价值越高,发生设备故障时就会造成越大的经济损失.考虑到设备故障所引起的社会影响,将设备供电分为特级保障供电、一级保障供电、二级保障供电和一般保障供电[19 ,20 ] . ...
Power grid risk assessment method based on risk probability engineering and its application
1
2016
... 将配电网的负荷划分为4个等级:特级负荷、一级负荷、二级负荷和一般负荷.特级负荷指国家级场合;一级负荷指若发生停电会带来重大影响、经济损失及人员伤亡的负荷;二级负荷指中断供电会造成较大影响及经济损失的用电负荷;一般负荷指中断供电不会造成较大、影响及经济损失的用电负荷.系统所带重要负荷的等级越高、数目越多,表示系统故障可能造成的损失越大,即系统的风险越大.设备的重要度与设备本身的价值有关,若设备价值越高,发生设备故障时就会造成越大的经济损失.考虑到设备故障所引起的社会影响,将设备供电分为特级保障供电、一级保障供电、二级保障供电和一般保障供电[19 ,20 ] . ...
《输变电设备风险评估导则》新旧版本的差异比较
1
2015
... 综上所述,风险评估影响由负荷数量因子、负荷等级因子、社会影响因子和设备因子四部分组成[21 ] ...
《输变电设备风险评估导则》新旧版本的差异比较
1
2015
... 综上所述,风险评估影响由负荷数量因子、负荷等级因子、社会影响因子和设备因子四部分组成[21 ] ...
风险矩阵评估方法研究与工程应用综述
1
2013
... 为了确定设备是否足以进行切换操作以进行重新配置,为整个系统设计了一个基于设备运行健康度和重要度的系统实时风险矩阵图[22 ,23 ] ,如图5 所示. ...
风险矩阵评估方法研究与工程应用综述
1
2013
... 为了确定设备是否足以进行切换操作以进行重新配置,为整个系统设计了一个基于设备运行健康度和重要度的系统实时风险矩阵图[22 ,23 ] ,如图5 所示. ...
电力设备风险评价方法综述
1
2010
... 为了确定设备是否足以进行切换操作以进行重新配置,为整个系统设计了一个基于设备运行健康度和重要度的系统实时风险矩阵图[22 ,23 ] ,如图5 所示. ...
电力设备风险评价方法综述
1
2010
... 为了确定设备是否足以进行切换操作以进行重新配置,为整个系统设计了一个基于设备运行健康度和重要度的系统实时风险矩阵图[22 ,23 ] ,如图5 所示. ...